1N4148 vs 1N914 vs 1N4448
Muchos jóvenes ingenieros tienen problemas con tantos tipos de diodos conmutadores de …
Las centrales telefónicas disponen de su propia fuente de energía para habilitar las …
Este circuito en realidad puede tener varios usos, simplemente variando su alimentaci…
En muchos automóviles se suele utilizar una luz extra o tercer stop para indicar cuan…
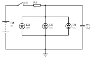
Esta es la forma más fácil de controlar la brillantez de un LED. Por medio del potenc…
Este circuito destellador de luz , activa la lamparita de 6 voltios tipo linterna, a…
El circuito presentado, hace que el LED encienda unas 5 veces en 1 segundo. Básic…
Hace algunos años los Leds no eran nada llamativos, básicamente se utilizaban como in…
Desde que aparecieron los LED blancos brillantes en el mercado electrónico, se hizo m…
Por medio del puerto USB y unos cuantos componentes, podremos hacer una simple lámpar…
La publicidad se ha tomado las ciudades pero no de la forma tradicional, los carteles…
El circuito presentado, hace que el LED encienda unas 5 veces en 1 segundo. Básic…
Usualmente los leds requieren de un voltaje y corriente baja para poder iluminar y fu…
Actualmente se están haciendo muy populares las bombillas LED , ya que son bastante e…
Utilizando el circuito integrado CD4017, se puede hacer un simple secuenciador de lu…
El ladrón de julios (jule thief), es un circuito basado en el principio de operació…
Utilizando leds de alto brillo, podremos crear un atractivo juego de luces audiori…
Este semáforo con 555 actúa de forma similar a un semáforo real cuando cambia entre l…
Muchos jóvenes ingenieros tienen problemas con tantos tipos de diodos conmutadores de …